Renovierung Diele
19.03.2022
...
Decken Unterbau montiert

29.12.2021
...
1. Armierungsgewebe

20.12.2021
...
Sicherungsverteiler bestückt

18.12.2021
...
Sicherungsverteiler gesetzt

To do ...
- Leerrohre & Dosen setzen
- Sicherungsverteiler setzen
- Provisorische Stromversorgung herstellen
- UP-Dose für Haussprechanlage setzen
- Sicherungsverteiler bestücken und verdrahten
- Schlitze und Unebenheiten mit Zementsockelputz schliessen
- Wände grundieren
- Wände mit Armierungsgewebe versehen
- Wände umlaufend mit UD-Profilen versehen
- Deckenabhängungen montieren
- Decken Unterbau montieren
- Kabelverlegungen zu den Zimmern
- Wände mit Kalkputz ( KNAUF Rotband ) verputzen
- Bodenausgleich
- Holzdecke einziehen
- Boden Belag verlegen
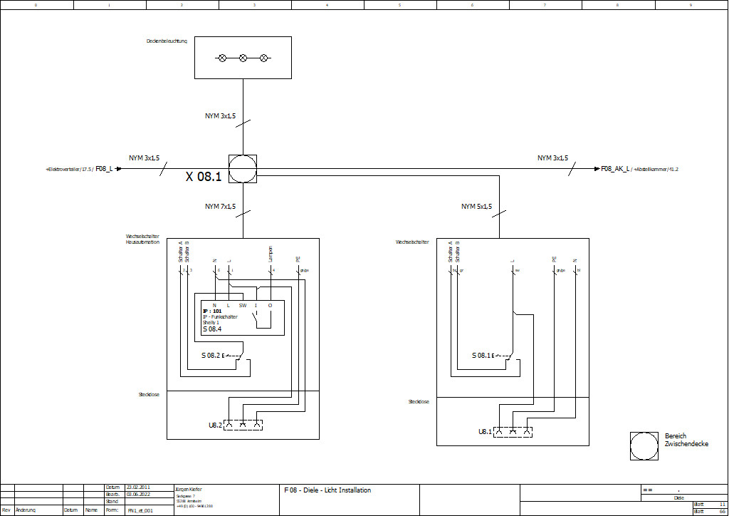
Elektroinstallationen
Bildergalerie















