Renovierung Küche

15.01.2022
Abgehängte Decke mit alter Einhausung ?
11.12.2021
Wände gecleant und verschlossen

To do ...

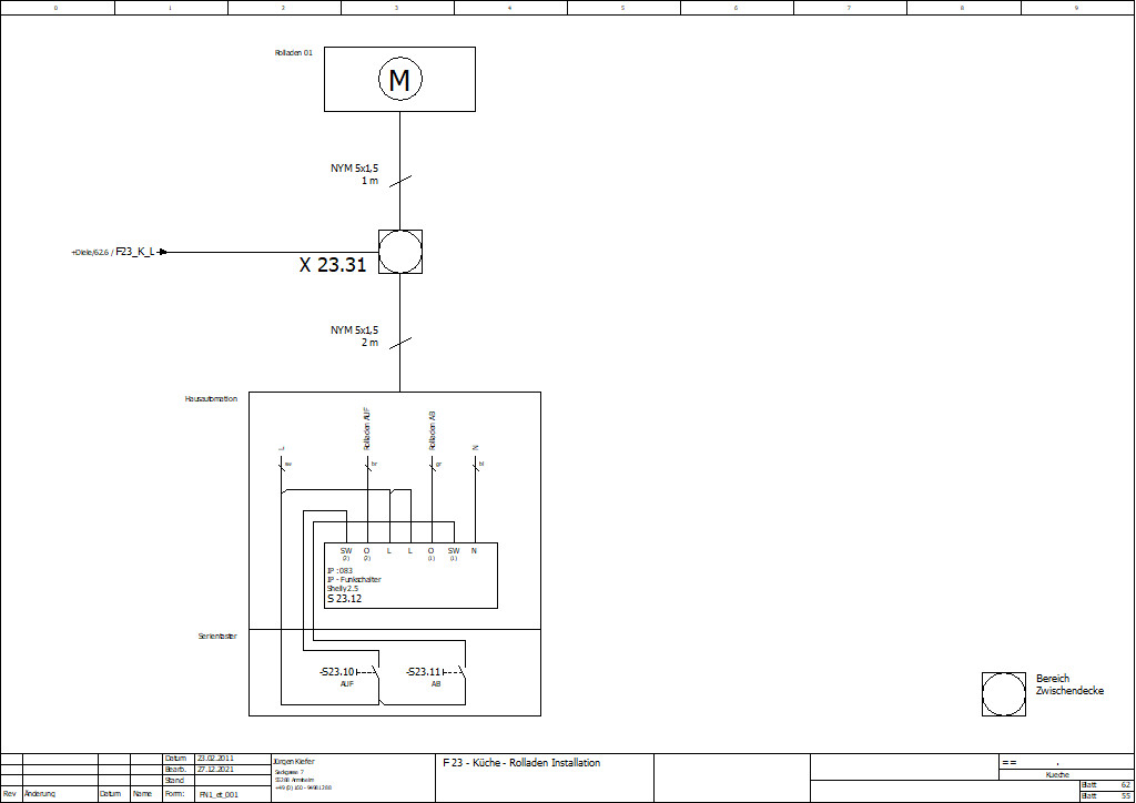
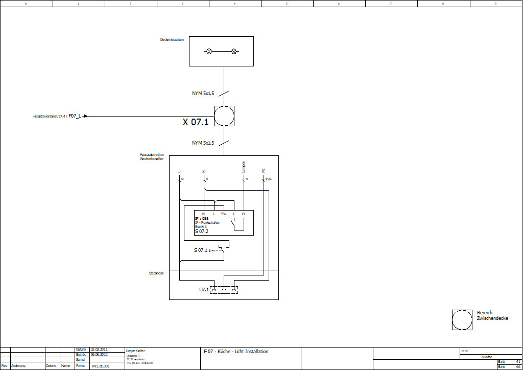
Elektroinstallationen
Licht ( 06.06.2022 )
Rolladen ( 29.12.2021 )
Zimmertür
Küche
( mm )
Wandöffnung
( Breite )
850
Höhe
( ab Estrich )
2040
Mauer
( Wandstärke )
140
Bildergalerie
error: Inhalt ist geschützt !!